Knowledge Base

Phantom Flex 4K

Phantom Flex4K Configuration

Last updated on February 28, 2025

Connection

The Phantom Flex4K connects to bitbox using 100mbit ethernet and a standard Phantom Flex 8-pin Fischer to RJ45 cable.
⚠️
The Phantom Flex/Onyx/Miro system is unique because the IP of the camera is fixed. You will instead need to configure your control device to use the IP address space of the camera. You can configure a secondary camera IP in advanced configurations, but that is outside of the scope of this documentation.
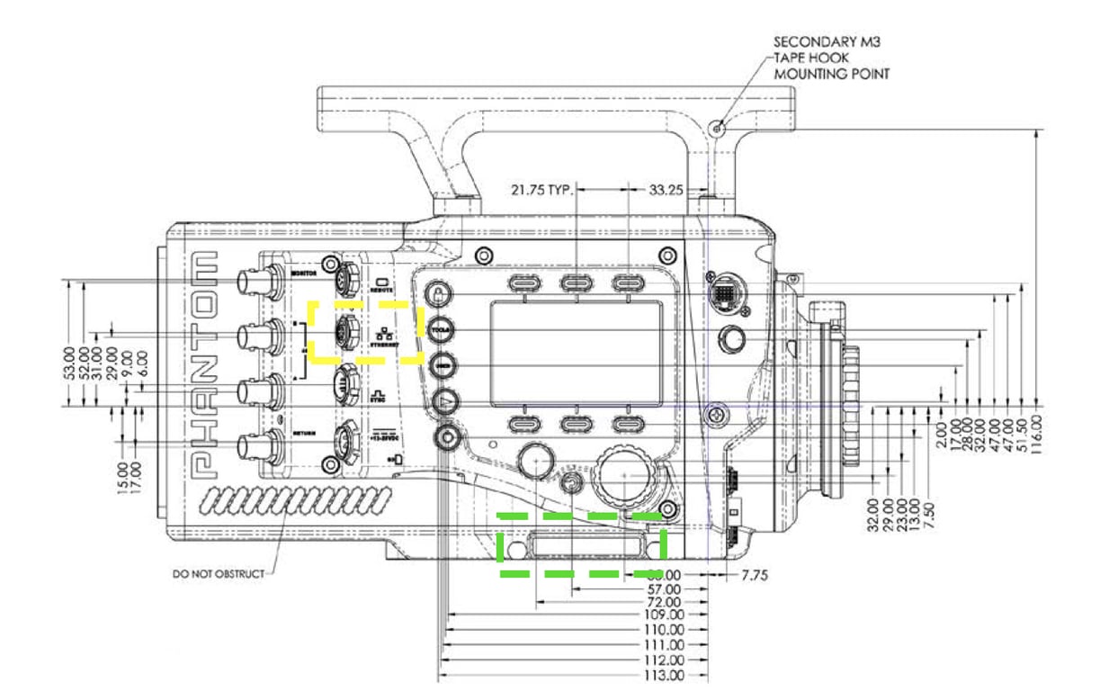
Flex4K Ethernet Port (Yellow) and IP Address Label (Green) Locations.
Flex4K Ethernet Port (Yellow) and IP Address Label (Green) Locations.

Camera IP Address

  1. Locate the IP address of the camera printed on the serial number label on the camera body. Its location is highlighted in green on the above illustration.
  1. Set your control device address to use an address in the same /24 subnet (255.255.255.0) as the camera.
⚠️
The serial number label has two IP addresses, IP (commonly 100.100.x.x) and XIP (commonly 172.16.x.x). The IP is used for camera control.

Control Applications

At this time, we recommend using iPhantom for iOS by Joe Kocsis for Phantom control.
Semote is also an excellent option.

Common Questions / Troubleshooting

Is bitbox fast enough for triggering a Phantom?
Yes, the minor latency caused by a wireless connection is no issue for triggering Phantom cameras.
Can I use PCC?
In testing we have found that PCC is optimized for wired connections and requires too much bandwidth to be reliable over a wireless link.

Connector and Pinout

Ethernet connector part number: Fischer S-103-A-058-130
Pin
Use
1
ETH RX+
2
ETH RX-
3
ETH RX+
4
ETH RX-
notion image